Главная > Подшипники> Шариковые> Радиально-упорные>MJT11

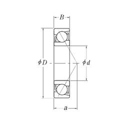
MJT11 — Радиально-упорный шарикоподшипник, импортное производство по ISO стандарту, размер 279x508x88 основное исполнение.
Производитель: RHP.
Цена по запросу
Цена на подшипник зависит от:
Габаритные размеры
Размеры и геометрические характеристики
Нагрузка и ресурс
Защита
Конструкция и исполнение