Главная > Подшипники> Роликовые > Игольчатые>MHKM1720

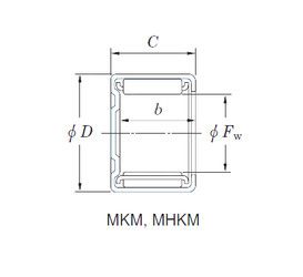
MHKM1720 — Подшипник игольчатый радиальный, импортное производство по ISO стандарту, размер 17x24x20 основное исполнение.
Производитель: KOYO.
M = массивный латунный сепаратор.
Цена по запросу
Цена на подшипник зависит от:
Габаритные размеры
Размеры и геометрические характеристики
Нагрузка и ресурс
Защита
Конструкция и исполнение
Другие размеры
Подшипник игольчатый радиальный BHKM1720JBU (KOYO)
Подшипник игольчатый радиальный BHM1720A (KOYO)
Подшипник игольчатый радиальный BHTM1720-1 (KOYO)
Игольчатый роликоподшипник FJL-1720L (NSK)
Роликовый игольчатый подшипник HMK1720C (NTN)
Игольчатый роликоподшипник MFJL-1720L (NSK)