Главная > Подшипники> Роликовые > Игольчатые>MHKM1512

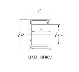
MHKM1512 — Подшипник игольчатый радиальный, импортное производство по ISO стандарту, размер 15x22x12 основное исполнение.
Производитель: KOYO.
M = массивный латунный сепаратор.
Цена по запросу
Цена на подшипник зависит от:
Габаритные размеры
Размеры и геометрические характеристики
Нагрузка и ресурс
Защита
Конструкция и исполнение
Другие размеры
Цилиндрический роликоподшипник BK152212 (CX, ISO)
Подшипник игольчатый радиальный HK152212 (CRAFT, CX, ISO)
Роликовый игольчатый подшипник BCH108 (INA)
Роликовый игольчатый подшипник BH-108 (KOYO, NIS, NSK, TIMKEN)
Роликовый игольчатый подшипник BHA 108 Z (IKO)
Подшипник игольчатый радиальный BHAM 108 (IKO)