Главная > Подшипники> Роликовые > Игольчатые>MHKM1420

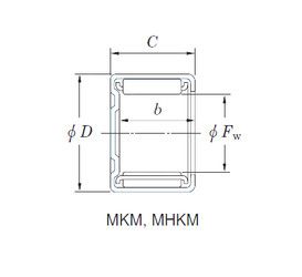
MHKM1420 — Подшипник игольчатый радиальный, импортное производство по ISO стандарту, размер 14x22x20 основное исполнение.
Производитель: KOYO.
M = массивный латунный сепаратор.
Цена по запросу
Цена на подшипник зависит от:
Габаритные размеры
Размеры и геометрические характеристики
Нагрузка и ресурс
Защита
Конструкция и исполнение
Другие размеры
Подшипник роликовый игольчатый с наружным кольцом с плоским дном с сепаратором ВК142220
Подшипник роликовый игольчатый с наружным кольцом с профилированным дном без сепаратора НД142220
Подшипник роликовый игольчатый с наружным кольцом со сквозным отверстием без сепаратора НК142220
Подшипник роликовый игольчатый с наружным кольцом с профилированным дном без сепаратора СК142220
Цилиндрический роликоподшипник BK142220 (CX, ISO)
Цилиндрический роликоподшипник HK142220 (CX, ISO)