Главная > Подшипники> Роликовые > Игольчатые>MHKM1220

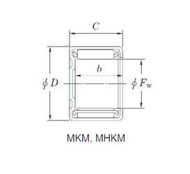
MHKM1220 — Подшипник игольчатый радиальный, импортное производство по ISO стандарту, размер 12x19x20 основное исполнение.
Производитель: KOYO.
M = массивный латунный сепаратор.
Цена по запросу
Цена на подшипник зависит от:
Габаритные размеры
Размеры и геометрические характеристики
Нагрузка и ресурс
Защита
Конструкция и исполнение
Другие размеры
Подшипник роликовый игольчатый с одним наружным штампованным кольцом, закрытым с одной стороны BCH813P (INA)
Подшипник игольчатый радиальный BHTM1220 (KOYO)
Игольчатый роликоподшипник FJL-1220 (NSK)
Роликовый игольчатый подшипник HMK1220 (NTN)
Игольчатый роликоподшипник MFJL-1220 (NSK)
Игольчатый роликоподшипник NK12X19X20 (NTN)