Главная > Подшипники> Роликовые > Игольчатые>MHKM1020

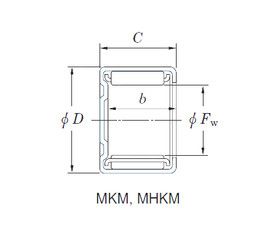
MHKM1020 — Подшипник игольчатый радиальный, импортное производство по ISO стандарту, размер 10x17x20 основное исполнение.
Производитель: KOYO.
M = массивный латунный сепаратор.
Цена по запросу
Цена на подшипник зависит от:
Габаритные размеры
Размеры и геометрические характеристики
Нагрузка и ресурс
Защита
Конструкция и исполнение
Другие размеры
Роликовый игольчатый подшипник BHTM1020 (KOYO)
Игольчатый роликоподшипник FJL-1020 (NSK)
Роликовый игольчатый подшипник HMK1020 (NTN)
Игольчатый роликоподшипник MFJL-1020 (NSK)