Главная > Подшипники> Роликовые > Игольчатые>MHKM1010

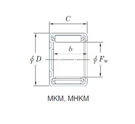
MHKM1010 — Подшипник игольчатый радиальный, импортное производство по ISO стандарту, размер 10x17x10 основное исполнение.
Производитель: KOYO.
M = массивный латунный сепаратор.
Цена по запросу
Цена на подшипник зависит от:
Габаритные размеры
Размеры и геометрические характеристики
Нагрузка и ресурс
Защита
Конструкция и исполнение
Другие размеры
Подшипник игольчатый радиальный BHTM1010 (KOYO)
Игольчатый роликоподшипник FJL-1010 (NSK)
Роликовый игольчатый подшипник HMK1010 (NTN)
Игольчатый роликоподшипник MFJL-1010 (NSK)
Игольчатый роликоподшипник RLM101710 (NSK)
Игольчатый роликоподшипник RNA0-10X17X10 (NTN)