Главная > Подшипники> Роликовые > Игольчатые>MHK10161

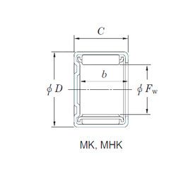
MHK10161 — Подшипник игольчатый радиальный, импортное производство по ISO стандарту, размер 15x22x25 основное исполнение.
Производитель: KOYO.
Цена по запросу
Цена на подшипник зависит от:
Габаритные размеры
Размеры и геометрические характеристики
Нагрузка и ресурс
Защита
Конструкция и исполнение
Другие размеры
Подшипник роликовый игольчатый с одним наружным штампованным кольцом, закрытым с одной стороны BCH1016 (INA)
Роликовый игольчатый подшипник BH-1016 (KOYO, NIS, NSK, TIMKEN)
Подшипник игольчатый радиальный BHA 1016 Z (IKO)
Подшипник игольчатый радиальный BHT1016 (KOYO)
Подшипник игольчатый радиальный BHAM 1016 (IKO)
Подшипник игольчатый радиальный BHTM1525 (KOYO)