Главная > Подшипники> Шарнирные скольжения>MBY8VCR

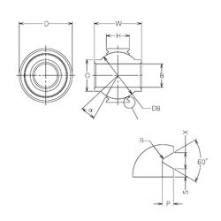
MBY8VCR — Радиальный сферический подшипник скольжения, импортное производство по ISO стандарту, размер 8x18x16 номер основного исполнения .
Производитель: NMB.
Однорядные радиальные роликоподшипники
Цена по запросу
Цена на подшипник зависит от:
Габаритные размеры
Размеры и геометрические характеристики
Нагрузка и ресурс
Защита
Присоединительные размеры
Другие размеры
Радиальный сферический подшипник скольжения MBYT8V (NMB)
Радиальный сферический подшипник скольжения MBY8CR (NMB)
Радиальный сферический подшипник скольжения MBYT8 (NMB)