Главная > Подшипники> Шарнирные скольжения>MBW5VCR

MBW5VCR — Радиальный сферический подшипник скольжения, импортное производство по ISO стандарту, размер 5x16x11 номер основного исполнения .
Производитель: NMB.
Однорядные радиальные роликоподшипники
Цена по запросу
Цена на подшипник зависит от:
Габаритные размеры
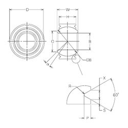
Размеры и геометрические характеристики
Нагрузка и ресурс
Защита
Присоединительные размеры
Другие размеры
Опорный ролик NATR 5 PPXA (SKF)
Опорный ролик NATV 5 PPA (SKF)
Опорный ролик NATR 5 X (SKF)
Радиальный сферический подшипник скольжения MBW5CR (NMB)