Главная > Подшипники> Шарнирные скольжения>MBT5V

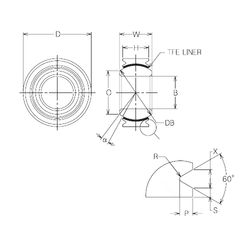
MBT5V — Радиальный сферический подшипник скольжения, импортное производство по ISO стандарту, размер 5x14x7 номер основного исполнения .
Производитель: NMB.
V = Увеличенная грузоподъемность, внутренняя модификация конструкции.
Цена по запросу
Цена на подшипник зависит от:
Габаритные размеры
Размеры и геометрические характеристики
Нагрузка и ресурс
Защита
Присоединительные размеры
Другие размеры
Радиальный сферический подшипник скольжения MBT5 (NMB)
Радиальный сферический подшипник скольжения MBG5VCR (NMB)
Радиальный сферический подшипник скольжения MBG5CR (NMB)