Главная > Подшипники> Шарнирные скольжения>MBT3V

MBT3V — Радиальный сферический подшипник скольжения, импортное производство по ISO стандарту, размер 3x10x5 номер основного исполнения .
Производитель: NMB.
V = Увеличенная грузоподъемность, внутренняя модификация конструкции.
Цена по запросу
Цена на подшипник зависит от:
Габаритные размеры
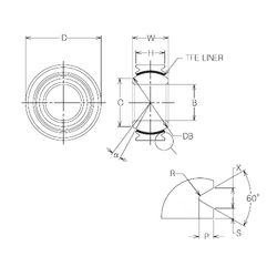
Размеры и геометрические характеристики
Нагрузка и ресурс
Защита
Присоединительные размеры
Другие размеры
Подшипник шариковый радиальный F603ZZ (FBJ, ISB, ISO, NSK)
Радиальный шарикоподшипник FLW603Z (NTN)
Радиальный сферический подшипник скольжения MBG3VCR (NMB)
Радиальный сферический подшипник скольжения MBG3CR (NMB)
Радиальный сферический подшипник скольжения MBT3 (NMB)