Главная > Подшипники> Шарнирные скольжения>MBT30V

MBT30V — Радиальный сферический подшипник скольжения, импортное производство по ISO стандарту, размер 30x56x30 номер основного исполнения MBT30.
Производитель: NMB.
V = Увеличенная грузоподъемность, внутренняя модификация конструкции.
Цена по запросу
Цена на подшипник зависит от:
| Обозначение | Модификация |
|---|---|
| MBT30 | Основное конструктивное исполнение. |
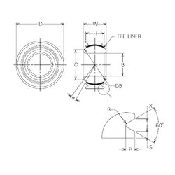
Габаритные размеры
Размеры и геометрические характеристики
Нагрузка и ресурс
Защита
Присоединительные размеры
Другие размеры
Цилиндрический роликоподшипник R06A72 (NTN)
Радиальный сферический подшипник скольжения MBG30CR (NMB)
Радиальный сферический подшипник скольжения MBG30VCR (NMB)