Главная > Подшипники> Шарнирные скольжения>MBT25V

MBT25V — Радиальный сферический подшипник скольжения, импортное производство по ISO стандарту, размер 25x45x25 номер основного исполнения MBT25.
Производитель: NMB.
V = Увеличенная грузоподъемность, внутренняя модификация конструкции.
Цена по запросу
Цена на подшипник зависит от:
| Обозначение | Модификация |
|---|---|
| MBT25 | Основное конструктивное исполнение. |
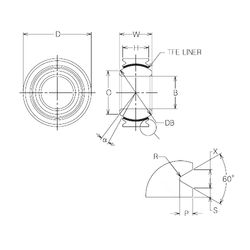
Габаритные размеры
Размеры и геометрические характеристики
Нагрузка и ресурс
Защита
Присоединительные размеры
Другие размеры
Радиальный сферический подшипник скольжения MBG25CR (NMB)
Радиальный сферический подшипник скольжения MBG25VCR (NMB)