Главная > Подшипники> Шарнирные скольжения>MBT22V

MBT22V — Радиальный сферический подшипник скольжения, импортное производство по ISO стандарту, размер 22x40x22 номер основного исполнения MBT22.
Производитель: NMB.
V = Увеличенная грузоподъемность, внутренняя модификация конструкции.
Цена по запросу
Цена на подшипник зависит от:
| Обозначение | Модификация |
|---|---|
| MBT22 | Основное конструктивное исполнение. |
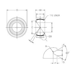
Габаритные размеры
Размеры и геометрические характеристики
Нагрузка и ресурс
Защита
Присоединительные размеры
Другие размеры
Радиальный сферический подшипник скольжения MBG22CR (NMB)
Радиальный сферический подшипник скольжения MBG22VCR (NMB)