Главная > Подшипники> Шарнирные скольжения>MBT18V

MBT18V — Радиальный сферический подшипник скольжения, импортное производство по ISO стандарту, размер 18x34x18 номер основного исполнения MBT18.
Производитель: NMB.
V = Увеличенная грузоподъемность, внутренняя модификация конструкции.
Цена по запросу
Цена на подшипник зависит от:
| Обозначение | Модификация |
|---|---|
| MBT18 | Основное конструктивное исполнение. |
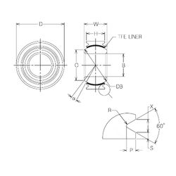
Габаритные размеры
Размеры и геометрические характеристики
Нагрузка и ресурс
Защита
Присоединительные размеры
Другие размеры
Радиальный сферический подшипник скольжения MBG18CR (NMB)
Радиальный сферический подшипник скольжения MBG18VCR (NMB)