Главная > Подшипники> Шарнирные скольжения>MBT15V

MBT15V — Радиальный сферический подшипник скольжения, импортное производство по ISO стандарту, размер 15x29x15 номер основного исполнения MBT15.
Производитель: NMB.
V = Увеличенная грузоподъемность, внутренняя модификация конструкции.
Цена по запросу
Цена на подшипник зависит от:
| Обозначение | Модификация |
|---|---|
| MBT15 | Основное конструктивное исполнение. |
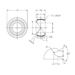
Габаритные размеры
Размеры и геометрические характеристики
Нагрузка и ресурс
Защита
Присоединительные размеры
Другие размеры
Радиальный сферический подшипник скольжения MBG15CR (NMB)
Радиальный сферический подшипник скольжения MBG15VCR (NMB)