Главная > Подшипники> Шарнирные скольжения>MBT14V

MBT14V — Радиальный сферический подшипник скольжения, импортное производство по ISO стандарту, размер 14x27x14 номер основного исполнения MBT14.
Производитель: NMB.
V = Увеличенная грузоподъемность, внутренняя модификация конструкции.
Цена по запросу
Цена на подшипник зависит от:
| Обозначение | Модификация |
|---|---|
| MBT14 | Основное конструктивное исполнение. |
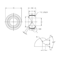
Габаритные размеры
Размеры и геометрические характеристики
Нагрузка и ресурс
Защита
Присоединительные размеры
Другие размеры
Подшипник роликовый игольчатый 6-994802
Радиальный сферический подшипник скольжения MBG14VCR (NMB)
Радиальный сферический подшипник скольжения MBG14CR (NMB)
Радиальный сферический подшипник скольжения GEFZ14S (LS)
Радиальный сферический подшипник скольжения GEFZ14C (AST, LS)
Радиальный сферический подшипник скольжения GEFZ14T (AST, LS)