Главная > Подшипники> Шарнирные скольжения>MBT12V

MBT12V — Радиальный сферический подшипник скольжения, импортное производство по ISO стандарту, размер 12x25x13 номер основного исполнения MBT12.
Производитель: NMB.
V = Увеличенная грузоподъемность, внутренняя модификация конструкции.
Цена по запросу
Цена на подшипник зависит от:
| Обозначение | Модификация |
|---|---|
| MBT12 | Основное конструктивное исполнение. |
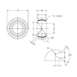
Габаритные размеры
Размеры и геометрические характеристики
Нагрузка и ресурс
Защита
Присоединительные размеры
Другие размеры
Радиальный сферический подшипник скольжения MBG12VCR (NMB)
Радиальный сферический подшипник скольжения MBG12CR (NMB)