Главная > Подшипники> Роликовые > Радиально-упорные>M88048/M88011

M88048/M88011 — Однорядный конический роликовый подшипник, импортное производство по ISO стандарту, размер 33x68x22 номер основного исполнения .
Производится брендами: AST, Fersa.
M = массивный латунный сепаратор.
Цена от:473 р.
Цена на подшипник зависит от:
Габаритные размеры
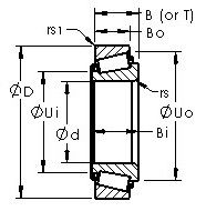
Размеры и геометрические характеристики
Защита
Присоединительные размеры
Конструкция и исполнение
Прочие характеристики
Подшипник роликовый радиально-упорный 3007306 (EPK)
Конический роликоподшипник 16582/16522 (TIMKEN)
Конический роликоподшипник 4T-M88047/M88010 (NTN)
Однорядный конический роликовый подшипник 4T-M88048/M88010 (NTN)
Конический роликоподшипник H-M88048/H-M88010 (NACHI)
Подшипник роликовый радиально-упорный KESTD3368LTF (KOYO)