Главная > Подшипники> Роликовые > Радиально-упорные>M88040/M88011

M88040/M88011 — Подшипник роликовый радиально-упорный, импортное производство по ISO стандарту, размер 28x64x22 номер основного исполнения .
Производитель: KOYO.
M = массивный латунный сепаратор.
Цена от:683 р.
Цена на подшипник зависит от:
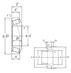
Габаритные размеры
Размеры и геометрические характеристики
Нагрузка и ресурс
Защита
Коэффициенты для расчета
Присоединительные размеры
Конструкция и исполнение