Главная > Подшипники> Роликовые > Радиально-упорные>M86649R/M86610

M86649R/M86610 — Подшипник роликовый радиально-упорный, импортное производство по ISO стандарту, размер 30x64x21 номер основного исполнения .
Производитель: KOYO.
M = массивный латунный сепаратор.
Цена от:458 р.
Цена на подшипник зависит от:
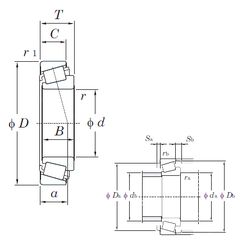
Габаритные размеры
Размеры и геометрические характеристики
Нагрузка и ресурс
Защита
Коэффициенты для расчета
Присоединительные размеры
Конструкция и исполнение
Подшипник роликовый радиально-упорный конический 6-7406 А (ГПЗ-15)
Подшипник роликовый радиально-упорный 7106P (EPK)
Подшипник роликовый радиально-упорный 7406 А (ГПЗ-15)
Однорядный конический роликовый подшипник 4T-M86649/M86610 (NTN)
Конический роликоподшипник CR06B39 (NTN)
Конический роликоподшипник H-M86649R/H-M86610 (NACHI)