Главная > Подшипники> Роликовые > Радиально-упорные>M86649/M86610

M86649/M86610 — Однорядный конический роликовый подшипник, импортное производство по ISO стандарту, размер 30x64x21 номер основного исполнения .
Производится брендами: FBJ, Fersa, KBC, NACHI, NIS, NSK, TIMKEN.
M = массивный латунный сепаратор.
Цена от:458 р.
Цена на подшипник зависит от:
Габаритные размеры
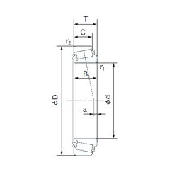
Размеры и геометрические характеристики
Нагрузка и ресурс
Защита
Коэффициенты для расчета
Присоединительные размеры
Конструкция и исполнение
Прочие характеристики
Подшипник роликовый радиально-упорный конический 6-7406 А (ГПЗ-15)
Подшипник роликовый радиально-упорный 7106P (EPK)
Подшипник роликовый радиально-упорный 7406 А (ГПЗ-15)
Однорядный конический роликовый подшипник 4T-M86649/M86610 (NTN)
Конический роликоподшипник CR06B39 (NTN)
Конический роликоподшипник H-M86649R/H-M86610 (NACHI)