Главная > Подшипники> Роликовые > Радиально-упорные>M86643R/M86610

M86643R/M86610 — Подшипник роликовый радиально-упорный, импортное производство по ISO стандарту, размер 25x64x21 номер основного исполнения .
Производитель: KOYO.
M = массивный латунный сепаратор.
Цена по запросу
Цена на подшипник зависит от:
Габаритные размеры
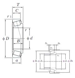
Размеры и геометрические характеристики
Нагрузка и ресурс
Защита
Коэффициенты для расчета
Присоединительные размеры
Конструкция и исполнение
Конический роликоподшипник 4T-M86643/M86610 (NTN)
Однорядный конический роликовый подшипник M86643/M86610 (FBJ, NIS, NSK, TIMKEN)
Подшипник роликовый радиально-упорный M86643/10 (CX, ISO)