Главная > Подшипники> Роликовые > Радиально-упорные>M667948/M667910

M667948/M667910 — Подшипник роликовый радиально-упорный, импортное производство по ISO стандарту, размер 409x546x87 номер основного исполнения .
Производитель: KOYO.
M = массивный латунный сепаратор.
Цена по запросу
Цена на подшипник зависит от:
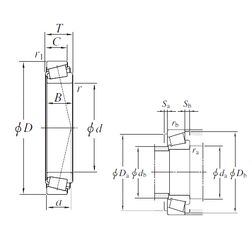
Габаритные размеры
Размеры и геометрические характеристики
Нагрузка и ресурс
Защита
Коэффициенты для расчета
Присоединительные размеры
Конструкция и исполнение
Конический роликоподшипник M667948/M667911 (NTN, TIMKEN)
Подшипник роликовый радиально-упорный M667947/M667911 (KOYO)