Главная > Подшипники> Роликовые > Радиально-упорные>M522546/M522510

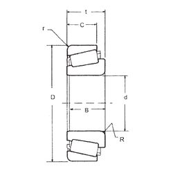
M522546/M522510 — Подшипник роликовый радиально-упорный, импортное производство по ISO стандарту, размер 107x159x34 номер основного исполнения .
Производитель: FBJ.
M = массивный латунный сепаратор.
Цена по запросу
Цена на подшипник зависит от:
Габаритные размеры
Размеры и геометрические характеристики
Нагрузка и ресурс
Защита
Конструкция и исполнение
Конический роликоподшипник 4T-LM522546/LM522510 (NTN)
Однорядный конический роликовый подшипник LM522546/LM522510 (KOYO, NACHI, NIS, NSK, TIMKEN)
Подшипник роликовый радиально-упорный LM522546/10 (CX, ISO)