Главная > Подшипники> Роликовые > Радиально-упорные>M274149/M274110

M274149/M274110 — Подшипник роликовый радиально-упорный, импортное производство по ISO стандарту, размер 501x711x136 номер основного исполнения .
Производится брендами: KOYO, TIMKEN.
M = массивный латунный сепаратор.
Цена по запросу
Цена на подшипник зависит от:
Габаритные размеры
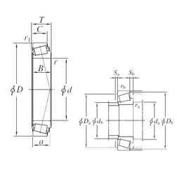
Размеры и геометрические характеристики
Нагрузка и ресурс
Защита
Коэффициенты для расчета
Присоединительные размеры
Конструкция и исполнение
Подшипник роликовый радиально-упорный M274149/10 (CX, ISO)
Конический роликоподшипник M274149/M274110G2 (NTN)