Главная > Подшипники> Роликовые > Радиально-упорные>M270449DA/M270410+M270410EA

M270449DA/M270410+M270410EA — Конический роликоподшипник, импортное производство по ISO стандарту, размер 449x594x178 номер основного исполнения .
Производитель: TIMKEN.
D = профиль наружного кольца, усовершенствованный, с увеличенной зоной несущей нагрузки и оптимизированными краевыми переходами.
Цена по запросу
Цена на подшипник зависит от:
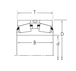
Габаритные размеры
Размеры и геометрические характеристики
Защита
Конструкция и исполнение