Главная > Подшипники> Роликовые > Радиально-упорные>M255449D/M255410+M255410EA

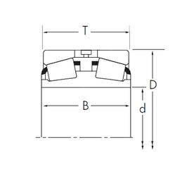
M255449D/M255410+M255410EA — Конический роликоподшипник, импортное производство по ISO стандарту, размер 288x406x144 номер основного исполнения .
Производитель: TIMKEN.
D = профиль наружного кольца, усовершенствованный, с увеличенной зоной несущей нагрузки и оптимизированными краевыми переходами.
Цена от:24 728 р.
Цена на подшипник зависит от:
Габаритные размеры
Размеры и геометрические характеристики
Защита
Конструкция и исполнение
Конический роликоподшипник E-M255449D/M255410A+A (NTN)
Конический роликоподшипник M255449D/M255410A+A (NTN)