Главная > Подшипники> Роликовые > Радиально-упорные>M252349D/M252310+M252310EB

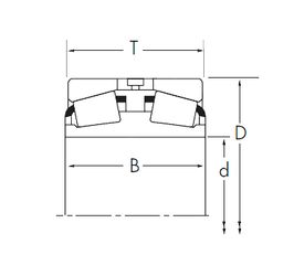
M252349D/M252310+M252310EB — Конический роликоподшипник, импортное производство по ISO стандарту, размер 269x381x136 номер основного исполнения .
Производитель: TIMKEN.
D = профиль наружного кольца, усовершенствованный, с увеличенной зоной несущей нагрузки и оптимизированными краевыми переходами.
Цена по запросу
Цена на подшипник зависит от:
Габаритные размеры
Размеры и геометрические характеристики
Защита
Конструкция и исполнение