Главная > Подшипники> Роликовые > Радиально-упорные>M249748D/M249710+M249710EA

M249748D/M249710+M249710EA — Конический роликоподшипник, импортное производство по ISO стандарту, размер 254x358x130 номер основного исполнения .
Производитель: TIMKEN.
D = профиль наружного кольца, усовершенствованный, с увеличенной зоной несущей нагрузки и оптимизированными краевыми переходами.
Цена по запросу
Цена на подшипник зависит от:
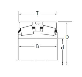
Габаритные размеры
Размеры и геометрические характеристики
Защита
Конструкция и исполнение
Подшипник роликовый радиально-упорный 77951
Конический роликоподшипник T-M249748D/M249710+A (NTN)