Главная > Подшипники> Роликовые > Радиально-упорные>M246943/M246910

M246943/M246910 — Подшипник роликовый радиально-упорный, импортное производство по ISO стандарту, размер 231x634x69 номер основного исполнения .
Производитель: KOYO.
M = массивный латунный сепаратор.
Цена по запросу
Цена на подшипник зависит от:
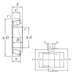
Габаритные размеры
Размеры и геометрические характеристики
Нагрузка и ресурс
Защита
Коэффициенты для расчета
Присоединительные размеры
Конструкция и исполнение