Главная > Подшипники> Роликовые > Радиально-упорные>M241547/M241510

M241547/M241510 — Однорядный конический роликовый подшипник, импортное производство по ISO стандарту, размер 203x292x57 номер основного исполнения .
Производится брендами: KOYO, TIMKEN.
M = массивный латунный сепаратор.
Цена по запросу
Цена на подшипник зависит от:
Габаритные размеры
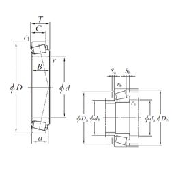
Размеры и геометрические характеристики
Нагрузка и ресурс
Защита
Коэффициенты для расчета
Присоединительные размеры
Конструкция и исполнение
Подшипник роликовый радиально-упорный M241547/10 (CX, ISO)
Конический роликоподшипник M241547C/M241510 (TIMKEN)
Конический роликоподшипник NP296458/NP514720 (TIMKEN)
Конический роликоподшипник T-M241547/M241510 (NTN)