Главная > Подшипники> Роликовые > Радиально-упорные>M231648/M231610

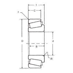
M231648/M231610 — Однорядный конический роликовый подшипник, импортное производство по ISO стандарту, размер 152x222x46 номер основного исполнения .
Производится брендами: FBJ, TIMKEN.
M = массивный латунный сепаратор.
Цена по запросу
Цена на подшипник зависит от:
Габаритные размеры
Размеры и геометрические характеристики
Нагрузка и ресурс
Защита
Коэффициенты для расчета
Присоединительные размеры
Конструкция и исполнение
Однорядный конический роликовый подшипник M231649/M231610 (FBJ, NSK, TIMKEN)
Однорядный конический роликовый подшипник 183152X/183222X (Gamet)
Подшипник роликовый радиально-упорный 183152X/183222XC (Gamet)
Конический роликоподшипник 4T-M231648/M231610 (NTN)
Однорядный конический роликовый подшипник 4T-M231649/M231610 (NTN)
Подшипник роликовый радиально-упорный M231649/10 (CX, ISO)