Главная > Подшипники> Роликовые > Радиально-упорные>M224749D/M224710+M224710EA

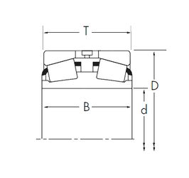
M224749D/M224710+M224710EA — Конический роликоподшипник, импортное производство по ISO стандарту, размер 120x174x66 номер основного исполнения .
Производитель: TIMKEN.
D = профиль наружного кольца, усовершенствованный, с увеличенной зоной несущей нагрузки и оптимизированными краевыми переходами.
Цена по запросу
Цена на подшипник зависит от:
Габаритные размеры
Размеры и геометрические характеристики
Защита
Конструкция и исполнение