Главная > Подшипники> Роликовые > Радиально-упорные>M224749/M224710

M224749/M224710 — Однорядный конический роликовый подшипник, импортное производство по ISO стандарту, размер 120x174x35 номер основного исполнения .
Производится брендами: KOYO, NACHI, TIMKEN.
M = массивный латунный сепаратор.
Цена по запросу
Цена на подшипник зависит от:
Габаритные размеры
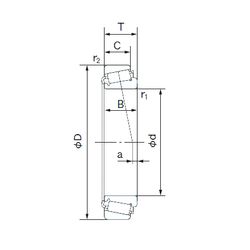
Размеры и геометрические характеристики
Нагрузка и ресурс
Защита
Коэффициенты для расчета
Присоединительные размеры
Конструкция и исполнение
Конический роликоподшипник M224749/M224712 (TIMKEN)
Подшипник роликовый радиально-упорный M224749/10 (CX, ISO)