Главная > Подшипники>LRJ15

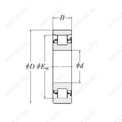
LRJ15 — Цилиндрический роликоподшипник, импортное производство по ISO стандарту, размер 381x571x76 основное исполнение.
Производитель: RHP.
Цена по запросу
Цена на подшипник зависит от:
Габаритные размеры
Размеры и геометрические характеристики
Нагрузка и ресурс
Защита
Конструкция и исполнение
Цилиндрический роликоподшипник LLRJ15 (RHP)
Радиально-упорный шарикоподшипник LJT15 (RHP)