Главная > Подшипники>LRJ1.7/8

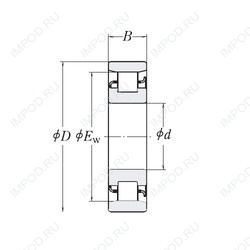
LRJ1.7/8 — Однорядный цилиндрический роликовый подшипник, импортное производство по ISO стандарту, размер 47x101x20 номер основного исполнения .
Производится брендами: NIS, RHP, SIGMA.
Цена по запросу
Цена на подшипник зависит от:
Габаритные размеры
Размеры и геометрические характеристики
Нагрузка и ресурс
Защита
Конструкция и исполнение
Прочие характеристики
Радиальный шарикоподшипник LJ1.7/8-N (RHP)
Подшипник однорядный шариковый радиальный LJ1.7/8-NR (RHP)
Подшипник однорядный шариковый радиальный LJ 1.7/8 (RHP, SIGMA)
Радиальный шарикоподшипник LJ1.7/8-Z (RHP)
Радиальный шарикоподшипник LJ1.7/8-2Z (RHP)
Подшипник шариковый двухрядный самоустанавливающийся NLJ1.7/8 (RHP)