Главная > Подшипники>LRJ1.1/4

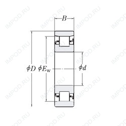
LRJ1.1/4 — Однорядный цилиндрический роликовый подшипник, импортное производство по ISO стандарту, размер 31x69x17 номер основного исполнения .
Производится брендами: NIS, RHP, SIGMA.
Цена по запросу
Цена на подшипник зависит от:
Габаритные размеры
Размеры и геометрические характеристики
Нагрузка и ресурс
Защита
Конструкция и исполнение
Прочие характеристики
Подшипник однорядный шариковый радиальный LJ 1.1/4 (RHP, SIGMA)
Подшипник однорядный шариковый радиальный LJ1.1/4-NR (RHP)
Подшипник однорядный шариковый радиальный LJ1.1/4-2RS (RHP)
Радиальный шарикоподшипник LJ1.1/4-RS (RHP)
Радиальный шарикоподшипник LJ1.1/4-Z (RHP)
Подшипник однорядный шариковый радиальный LJ1.1/4-2Z (RHP)