Главная > Подшипники> Роликовые > Радиально-упорные>LM814845/LM814810

LM814845/LM814810 — Подшипник роликовый радиально-упорный, импортное производство по ISO стандарту, размер 73x117x25 номер основного исполнения .
Производится брендами: KOYO, TIMKEN.
L = массивный сепаратор из лёгкого сплава.
Цена по запросу
Цена на подшипник зависит от:
Габаритные размеры
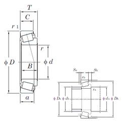
Размеры и геометрические характеристики
Нагрузка и ресурс
Защита
Коэффициенты для расчета
Присоединительные размеры
Конструкция и исполнение