Главная > Подшипники> Роликовые > Радиально-упорные>LM78349A/LM78310A

LM78349A/LM78310A — Подшипник роликовый радиально-упорный, импортное производство по ISO стандарту, размер 34x61x16 номер основного исполнения .
Производится брендами: FBJ, TIMKEN.
L = массивный сепаратор из лёгкого сплава.
Цена от:650 р.
Цена на подшипник зависит от:
Габаритные размеры
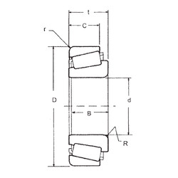
Размеры и геометрические характеристики
Нагрузка и ресурс
Защита
Коэффициенты для расчета
Присоединительные размеры
Конструкция и исполнение
Однорядный конический роликовый подшипник 330757 C/QCL7CVA606 (SKF)
Конический роликоподшипник 4T-LM78349A/LM78310A (NTN)
Конический роликоподшипник 521425 T29 AW220 (FAG)
Однорядный конический роликовый подшипник LM78349/10A (CX, ISO)
Однорядный конический роликовый подшипник LM78349/LM78310A (AST, Fersa, NIS, NSK, TIMKEN)
Подшипник роликовый радиально-упорный LM78349A/10A (CX, ISO)