Главная > Подшипники> Роликовые > Радиально-упорные>LM78349/LM78310

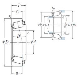
LM78349/LM78310 — Однорядный конический роликовый подшипник, импортное производство по ISO стандарту, размер 35x62x16 номер основного исполнения .
Производится брендами: KOYO, NIS, NSK.
L = массивный сепаратор из лёгкого сплава.
Цена от:607 р.
Цена на подшипник зависит от:
Габаритные размеры
Размеры и геометрические характеристики
Нагрузка и ресурс
Защита
Коэффициенты для расчета
Присоединительные размеры
Конструкция и исполнение
Прочие характеристики
Подшипник роликовый радиально-упорный 2007107АК
Подшипник однорядный шариковый радиальный BB1B446740 (SKF)
Игольчатый роликовый упорный подшипник ARXJ35X62X16.5 (NTN)
Конический роликоподшипник XC2465CC/XC2465DD (TIMKEN)