Главная > Подшипники> Роликовые > Радиально-упорные>LM772748/710/HA1

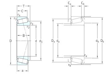
LM772748/710/HA1 — Однорядный конический роликовый подшипник, импортное производство по ISO стандарту, размер 488x634x84 номер основного исполнения .
Производитель: SKF.
HA1 = Закаленное внутреннее и наружное кольцо.
Цена по запросу
Цена на подшипник зависит от:
Габаритные размеры
Размеры и геометрические характеристики
Нагрузка и ресурс
Защита
Коэффициенты для расчета
Присоединительные размеры
Конструкция и исполнение
Однорядный конический роликовый подшипник LM772748/LM772710 (ISB, KOYO, NSK, TIMKEN)
Конический роликоподшипник LM772748/LM772710A (NTN)
Однорядный конический роликовый подшипник LM772748/10 (CX, ISO)