Главная > Подшипники> Роликовые > Радиально-упорные>LM739749/710/VE174

LM739749/710/VE174 — Конический роликоподшипник, импортное производство по ISO стандарту, размер 196x257x39 номер основного исполнения .
Производитель: SKF.
E1 = Проектирование повышенной емкости.
Цена по запросу
Цена на подшипник зависит от:
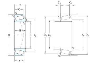
Габаритные размеры
Размеры и геометрические характеристики
Нагрузка и ресурс
Защита
Коэффициенты для расчета
Присоединительные размеры
Конструкция и исполнение
Однорядный конический роликовый подшипник LM739749/LM739710 (KOYO, NSK, NTN, TIMKEN)
Однорядный конический роликовый подшипник 4T-LM739749/LM739710 (NTN)
Подшипник роликовый радиально-упорный LM739749/10 (CX, ISO)