Главная > Подшипники> Роликовые > Радиально-упорные>LM67049/67920

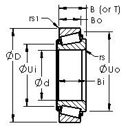
LM67049/67920 — Конический роликоподшипник дюймовая серия, импортное производство по ISO стандарту, размер 31x282x46 номер основного исполнения .
Производитель: AST.
Цена по запросу
Цена на подшипник зависит от:
Габаритные размеры
Размеры и геометрические характеристики
Присоединительные размеры
Конструкция и исполнение
Прочие характеристики