Главная > Подшипники> Роликовые > Радиально-упорные>LM603049/LM603012

LM603049/LM603012 — Однорядный конический роликовый подшипник, импортное производство по ISO стандарту, размер 45x77x21 номер основного исполнения .
Производится брендами: FBJ, Fersa, KOYO, NACHI, NIS, NSK, TIMKEN.
L = массивный сепаратор из лёгкого сплава.
Цена от:1 956 р.
Цена на подшипник зависит от:
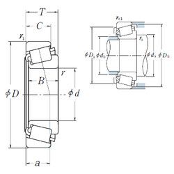
Габаритные размеры
Размеры и геометрические характеристики
Нагрузка и ресурс
Защита
Коэффициенты для расчета
Присоединительные размеры
Конструкция и исполнение
Прочие характеристики
Конический роликоподшипник 4T-LM603049/LM603012 (NTN)
Однорядный конический роликовый подшипник LM603049/12 (CX, ISO, PFI)
Конический роликоподшипник дюймовая серия LM603049A/LM603012 (AST)