Главная > Подшипники> Роликовые > Радиально-упорные>LM522549/LM522510

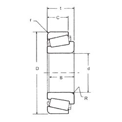
LM522549/LM522510 — Однорядный конический роликовый подшипник, импортное производство по ISO стандарту, размер 109x159x34 номер основного исполнения .
Производится брендами: FBJ, KOYO, NIS, NSK, TIMKEN.
L = массивный сепаратор из лёгкого сплава.
Цена по запросу
Цена на подшипник зависит от:
Габаритные размеры
Размеры и геометрические характеристики
Нагрузка и ресурс
Защита
Коэффициенты для расчета
Присоединительные размеры
Конструкция и исполнение
Прочие характеристики
Конический роликоподшипник 4T-LM522548/LM522510 (NTN)
Конический роликоподшипник 4T-LM522549/LM522510 (NTN)
Однорядный конический роликовый подшипник LM522548/LM522510 (FBJ, KOYO, NIS, NSK, TIMKEN)
Подшипник роликовый радиально-упорный LM522548/10 (CX, ISO)
Подшипник роликовый радиально-упорный LM522549/10 (CX, ISO)