Главная > Подшипники> Роликовые > Радиально-упорные>LM300849/LM300811

LM300849/LM300811 — Однорядный конический роликовый подшипник, импортное производство по ISO стандарту, размер 40x67x17 номер основного исполнения .
Производится брендами: AST, FBJ, Fersa, KBC, NIS, NSK, TIMKEN.
L = массивный сепаратор из лёгкого сплава.
Цена от:1 202 р.
Цена на подшипник зависит от:
Габаритные размеры
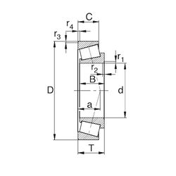
Размеры и геометрические характеристики
Нагрузка и ресурс
Защита
Коэффициенты для расчета
Присоединительные размеры
Конструкция и исполнение
Прочие характеристики
Однорядный конический роликовый подшипник 4T-LM300849/LM300811 (NTN)
Однорядный конический роликовый подшипник BT1B328612C/QCL7C (SKF)
Однорядный конический роликовый подшипник EC12694S02H106 (SNR)
Однорядный конический роликовый подшипник EC12694H106 (SNR)
Подшипник роликовый радиально-упорный F15003 (Fersa)
Конический роликоподшипник H-LM300849/H-LM300811 (NACHI)