Главная > Подшипники> Роликовые > Радиально-упорные>LM29748/LM29710

LM29748/LM29710 — Однорядный конический роликовый подшипник, импортное производство по ISO стандарту, размер 38x65x18 номер основного исполнения .
Производится брендами: AST, FBJ, Fersa, KOYO, NIS, NSK, TIMKEN.
L = массивный сепаратор из лёгкого сплава.
Цена от:516 р.
Цена на подшипник зависит от:
Габаритные размеры
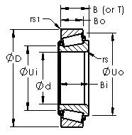
Размеры и геометрические характеристики
Нагрузка и ресурс
Защита
Коэффициенты для расчета
Присоединительные размеры
Конструкция и исполнение
Прочие характеристики
Конический роликоподшипник 38KW01 (NSK)
Однорядный конический роликовый подшипник 38KW01Cg5 (KBC)
Конический роликоподшипник 38KW01CG (NSK)
Конический роликоподшипник 4T-LM29748L/LM29710 (NTN)
Конический роликоподшипник 4T-LM29748/LM29710 (NTN)
Однорядный конический роликовый подшипник 4T-LM29749/LM29710 (NTN)