Главная > Подшипники> Роликовые > Радиально-упорные>LM245833/LM245810

LM245833/LM245810 — Подшипник роликовый радиально-упорный, импортное производство по ISO стандарту, размер 220x317x47 номер основного исполнения .
Производитель: KOYO.
L = массивный сепаратор из лёгкого сплава.
Цена по запросу
Цена на подшипник зависит от:
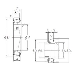
Габаритные размеры
Размеры и геометрические характеристики
Нагрузка и ресурс
Защита
Коэффициенты для расчета
Присоединительные размеры
Конструкция и исполнение